会员中心
加入收藏
绿

2022年广州市高中通用技术学业水平考试题

[日期:2023-10-15 10:00:49] [字体:特大 ]
  一、单项选择题(共24题,每题2.5分,共60分)
  1.某款即热式饮水机,热水无需等待,即按即出。关于该饮水机下列说法不正确的是( )
  A.能满足人们随时喝到热水的需求,体现了技术的目的性
  B.与传统饮水机相比,避免将水反复烧开,体现了技术的创新性
  C.比普通饮水机价格高,体现了技术应用具有两面性
  D.即热式饮水机应用了多项技术,体现了技术的综合性

  2.2022年9月3日,我国自主研制的大型太阳能无人机“启明星50”在陕西榆林首飞成功。关于该无人机下列说法不正确的是( )
  A.可应用在高空侦察、森林火情监测、大气环境监测、地理测绘、通信中继等方面,对促进社会发展、环境保护等产生巨大的作用
  B.该无人机的研发推动了我国新能源、复合材料、飞行控制等技术的发展
  C.使用太阳能作为能源,体现了可持续发展的理念
  D.代替人们开展巡护作业,会让人变得更懒,阻碍人的发展

  3.某同学想为老人设计一款可穿戴跌倒报警装置,在明确了设计问题后,按照技术设计的一般过程,下一步应该进行的是( )
  A.制作模型或原型    B.制订设计方案
  C.测试与优化        D.发现问题

  4.某同学发现冰箱里的食物因忘记食用而过期变质,于是他想设计一款食物保质期提醒器,在开始设计之前,需要进一步明确设计问题。下列说法或做法不正确的是( )
  A.通过查阅文献和互联网检索,了解有无相同或类似产品
  B.设计者的知识水平不是制约设计能力的因素
  C.考虑设计使用的原材料和工具设备是否得到满足
  D.设计产品时受到时间、成本、环境等因素的约束

  5.如图所示为一款带小夜灯的多功能转换插座,关于该转换插座的设计,下列说法不正确的是( )

  A.将单插位转换为多插位,遵循了设计的实用性原则
  B.插座面板的电源孔位尺寸符合国家标准,遵循了设计的标准化原则
  C.采用小夜灯和插座组合设计,遵循了设计的创新性原则
  D.美观耐用,遵循了设计的安全性原则

  6.广州海心桥设计时,共征集到几十个设计方案,经层层选拔,最终选定了以“琴鸣绢舞·岭南花舟”为主题的设计方案,这个过程属于( )
  A.方案的构思  B.方案的制订
  C.方案的改进  D.方案的比较、权衡和决策

  7.根据如图所示立体图,其三视图中缺少的图线有(  )
 
  A.1条    B.2条    C.3条    D.4条

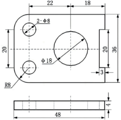
  8.如图所示机械制图,尺寸标注错误的有( )
 
  A.1处    B.2处    C.3处    D.4处

  9.下列实物与电子元器件图形符号不一致的是( )


  10.用厚度为 5mm 的钢板制作如图所示零件,下列说法不正确的是( )
 
  A.锯割时可戴手套
  B. 锉削时可用半圆锉锉削
  C. 加工流程为:划线→钻孔→锯割→锉削
  D. 加工Φ8圆孔,应先用样冲冲眼,然后用划规划出圆心再钻孔

  11.木工工艺制作如下图所示榫眼时,不需要的工具是( )


  12.某学校举办“风车设计与制作”比赛,组委会提供了下列材料,其中不属于标准件的是(  )
  A.5mm自攻螺钉  B.内径Φ6mm垫圈
  C.15×15×300mm方木料  D.内径Φ6mm轴承

  13.在发射神舟五号载人飞船前,我国先后发射了神舟一号至神舟四号无人试验飞行器。下列关于技术试验说法正确的是( )
  A.神舟五号研发过程中不需要进行计算机仿真试验  
  B.技术试验是技术设计中的一个重要环节
  C.为节约成本,无需进行无人飞行试验
  D.技术试验一定会阻碍设计的进程       

  14.酒精消毒剂产品说明书不需要包含的内容是(  )
  A.化学成分   B.使用方法   C.保存方法   D.生产工艺

  15.结构有实体结构、框架结构、壳体结构三种基本类型,下列结构的类型有别于其他三项的是(  )
 

  16.为了提高如图所示桌子的稳定性,下列做法合理的是(  )
 
  A.增加桌面的厚度     B.增大底座的面积
  C.增加支撑柱的高度   D.增大桌面的面积

  17. 设计指示牌结构时需要考虑的因素有:①稳定性;②安全性;③美观;④强度;⑤民俗;⑥个性化需求等。为防止如图所示交通指示牌被大风刮倒或毁坏,重点考虑的因素是(  )
 
  A.①③④    B. ③⑤⑥    C. ①②④    D. ②⑤⑥

  18.下列流程属于工作流程的是(  )
  A.中学生请假流程  B.制作木质手镯流程
  C.烧制陶器流程    D.制作飞机模型流程

  19.一般说来,工艺流程包括以下环节:①制作准备;②产品装配;③零件加工;④表面涂饰。其正确顺序是(  )
  A.①③②④  B.①②③④  C.①④②③  D.①④③②

  20.如图所示为某厂广式月饼生产流程图,下列说法不正确的是(  )
 
  A.饼皮制作与馅料加工是并行工序
  B.一次烘烤与刷蛋液是串行工序
  C.外包装袋打印生产日期与二次烘烤是并行工序
  D.包馅成型与计量分摘两个环节可以互换

  21.055型驱逐舰是我国研制的新型防空驱逐舰,具有强大的探测能力和信息化作战能力,是中国海军未来的主力战舰。055型驱逐舰是一个复杂的系统,该系统属于(  )
  A.抽象系统、自然系统
  B.抽象系统、人工系统
  C.实体系统、人工系统
  D.实体系统、自然系统

  22.下列关于系统优化说法不正确的是( )
  A.系统优化时要注重系统组成部分之间、组成部分与整体之间的协调
  B.系统优化是在给定条件下使系统获得更佳功能或效益的过程
  C.系统优化时每个元素一定要选择最优的
  D.系统优化受一定条件影响和约束

  23.下列控制系统中,属于闭环控制系统的是( )
  A.商场的自动门
  B.感应水龙头
  C.红绿灯定时控制系统
  D.孵化恒温箱

  24.关于开环控制和闭环控制,下列说法不正确的是(  )
  A.自动控制不一定是闭环控制
  B.闭环控制也可能受干扰影响
  C.开环控制一定没有检测装置
  D.闭环控制一定有检测装置

  二、综合题(共4题,每题10分,共40分)
  25.学校收集了很多学生优秀绘画作品,准备在校园艺术节展出。现需要同学们帮忙设计绘画作品宣传板及配套的连接件。学校对该设计提出以下几点要求:
  ①利用原有的路灯灯柱作为宣传板的立柱,灯柱上不能打孔,不能焊接;
  ②使用不锈钢制作宣传板与灯柱间的连接件;
  ③宣传板不能紧贴灯柱,与灯柱间隔100-200mm;
  ④宣传板安装需简单,高度可调,可拆卸。
  某同学设计构思如图所示。

  请同学们根据以上材料,回答下列问题:
(1)设计连接件时不需要考虑的因素是(  );
  A.灯柱的直径  B.加工工艺  C.宣传板的重量  D.灯柱的价格

  (2)某同学采用的制图比例是1:20,但在进行尺寸标注时,由于粗心,漏标了一条线段。该线段在图纸上的长度是30mm,那么该线段应标注的长度为____mm;(填上正确的阿拉伯数字)

  (3)某同学选择用铝合金材料制作宣传板框架,现需要在宣传板框架上开两个安装孔,关于开孔操作的说法不正确的是(  );
  A.开孔时需要先用样冲在待钻孔中心冲出浅凹窝
  B.装夹工件时要使待开孔的平面与钻头成垂直关系
  C.钻头大小要适合,钻头旋转时不能有摆动
  D.钻孔的整个行程中,施加的进给力要始终保持一致

  (4)下列零件中,最适合用来将连接件固定在灯柱上的是(  );


  (5)设计过程中,要进行一系列技术试验,下列技术试验合理的是(  )
  A.从高处抛下连接件,观察连接件是否损坏
  B.对连接件进行耐高温测试
  C.宣传板安装好后,用适当的力摇晃宣传板,检测其连接是否牢固
  D.宣传板安装好后,用力撞击路灯灯柱,观察宣传板是否能承受晃动

  26.如图所示为某卸料小车结构示意图,摇杆下端与车架连接于A点,上端与挡料板连接于B点,挡料板在C点与料仓连接,料仓在D点与车架连接。当向上抬起车架把手到一定高度时,摇杆绕A点逆时针转动,可实现料仓翻转与挡料板自动开启,完成卸料。请同学们根据以上材料,回答下列问题:

  (1)在卸料时,摇杆主要受力形式是_______(受压/受弯曲/受剪切),料仓和挡料板的连接点C采用销钉连接, 卸料时销钉的主要受力形式是_____(受拉/受压/受剪切/受扭转);

  (2)车架与料仓D连接点的连接方式是_______ (刚连接/铰连接);

  (3)小车在交付使用前,为了测试小车的性能,让小车装上物料在颠簸的路面上行驶,并完成卸料操作等试验,这种试验方法属于(  );
  A. 实物试验  B.模拟试验  C.对比试验  D.仿真试验

  (4)为了防止卸料时料仓翻转过度,要在料仓上增加一个限位销,这个限位销设计在______(E/F)点较合适。

27.如图所示为某企业矿泉水生产流程图,请根据该流程图回答下列问题:

  (1)该矿泉水生产流程属于__________(工作流程/工艺流程);

  (2)二级反渗透主机与臭氧发生器是_________(串行工序/并行工序);

  (3)根据该矿泉水生产流程图,下列说法正确的是(  );
  A. 流程设计只需考虑环节
  B. 原水先经过多次过滤处理后再进行反渗透处理
  C. 得到生产用水需经过气水混合器杀菌处理
  D. 该流程产出物只有大桶矿泉水和小桶矿泉水

  (4)如对该矿泉水生产流程进行优化,下列步骤中第一步是(  );
  A. 确定优化的方案    B. 确定改进的目标和要求
  C. 分析流程的现状    D. 流程改进的实施

  (5)关于该矿泉水生产流程的优化,下列说法不正确的是(  )。
  A. 为了缩短工期,可以改造或更新设备
  B. 为了缩短工期,可以取消“气水混合器”这个环节
  C. 流程优化要充分把握事物的内在规律和机理
  D. 流程优化有助于提高生产效率和产品质量

  28.如图1所示某款电煮茶器,盛装茶叶的滤网高于最大水位高度,不与水直接接触,而是利用水沸腾时产生的高温蒸汽喷淋在茶叶上完成烹煮。该煮茶器可以根据茶的种类设置水沸腾后的煮茶时间,并具备保温功能,其工作过程可分为以下四个阶段:

  ① 准备阶段:煮茶之前,往煮茶器内加入适量水,滤网内加入茶叶,设置煮茶时间和保温温度;
  ② 加热阶段:按下“开始”键后,加热器将水由常温加热至沸腾;
  ③ 蒸汽煮茶阶段:水沸腾后煮茶器的计时器开始计时,加热器继续加热让水保持沸腾,持续时间为预先设置的煮茶时间,计时结束后加热器停止加热;
  ④ 保温阶段:可设置的保温温度为40℃到95℃之间的某个值,蒸汽煮茶阶段刚结束时茶水温度高于设定温度,加热器不工作,茶水温度在环境温度影响下逐渐下降。当茶水温度低于设定温度时加热器开始工作,将茶水加热至设定值,从而保持茶水温度恒定。保温阶段的控制系统框图如图2所示。

  请根据以上材料,回答下列问题:
(1)蒸汽煮茶阶段属于______(手动/自动)控制,______(开环/闭环)控制;

  (2)在保温阶段的控制过程中,加热器是(  );
  A.被控量  B.被控对象  C.控制器  D.执行器

  (3)在保温阶段的控制过程中,茶水温度是(  );
  A.被控量  B.被控对象  C.控制量  D.执行器

  (4)以下不属于煮茶器保温控制系统的干扰因素的是( )。
  A.供电电压波动        B.打开盖子
  C.室内温度大幅变化    D.调低设定的保温温度
阅读:414次  

复制 】 【 打印
·2023年广州市高中通用技术学业水平考试题 2024-9-4 17:32:04
·2021年广州市高中通用技术学业水平考试B卷 2022-12-13 12:18:18
·2021年广州市高中通用技术学业水平考试A卷 2022-12-13 9:45:27
声明:本站部分资料来自网上收集,其版权归作者本人所有,如果有任何侵犯您权益的地方,请联系我们,我们将马上进行整理,谢谢。
当前没有评论
查看全部评论  

 字数:≤255
点评:
邮箱: 姓名:
  • 尊重网上道德,遵守中华人民共和国的各项有关法律法规
  • 承担一切因您的行为而直接或间接导致的民事或刑事法律责任
  • 本站管理人员有权保留或删除其管辖留言中的任意内容
  • 本站有权在网站内转载或引用您的评论
  • 参与本评论即表明您已经阅读并接受上述条款